Rsag7 820.5687 Schematic Rsag7.820.7843 Psu, Service Manual,
Power supply rsag7.820.8718/roh Power rsag7.820.9863 / roh Rsag7.820.5338 / roh hisense power supply
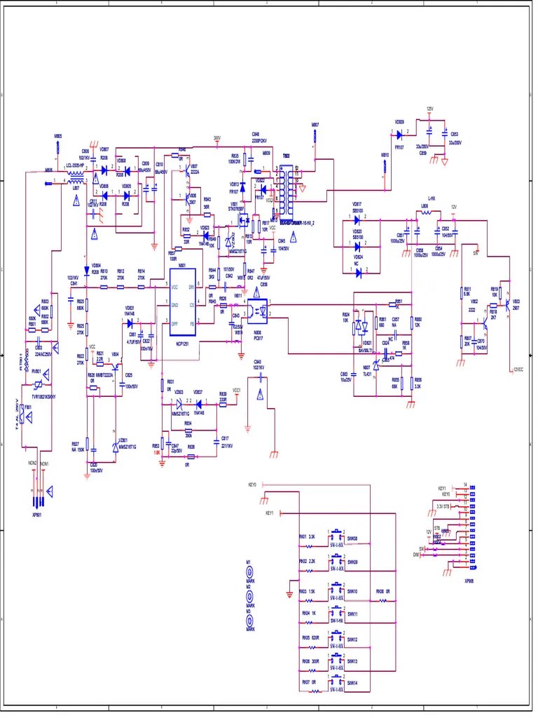
Шасси RSAG7.820.8280 схема
Hisense rsag7.820.7748 psu, service manual, repair schematics Bgh ble5015rtux hisense rsag7.820.5687 bajar corriente leds ic n901 Rsag7.820.5819/roh firmware download
Rsag7.820.7843 psu, service manual, repair schematics
Rsag7.820.6823 firmware software download (all resolutions)Hisense rsag7.820 schematic Платка board rsag7.820.578aRsag7.820.5819 firmware for free download.
Tv rsag7.820.4877/roh = rsag7.820.5013/rohRsag7.820.5649 mt5652, service manual, repair schematics Rsag7.820.7557 main, service manual, repair schematicsRsag7.820.1377, service manual, repair schematics.

Rsag7.820.526/roh, www.iccfl.com
Rsag7.820.5505 firmware download 2022 (all files)Rsag7.820.6392 software firmware download (all resolutions) Rsag7.820.5855, service manual, repair schematicsFree-shipping-good-test-for-rsag7-820-5687-rsag7-820-5687-roh-various.
Rsag7.820.4615, service manual, repair schematicsRsag7.820.6746 firmware software free download all Hisense rsag7.820.1861 schematic.







